Links
search
Shopping Cart
Support
×
North Point Parts Center
Shop Parts
Cart
Login / Register
Order Status
(833) 206-9740
Menu
Home
Terms and Conditions
Contact Us
Privacy Policy
Return Policy
Shipping Policy
×
Support
Call Us
Contact Us
Order Status
2001 Dodge Dakota
×
Recent Vehicles
2001 Dodge Dakota
Sport 5.9L V8 - Gas
Catalog
Add Vehicle
Search All Vehicles
Delete All Vehicles from My Garage
Search Bar 2
Search by Part Number(s), Keywords, or VIN
Home
Track Order
Contact Us
My Account
2001 Dodge Dakota
×
Recent Vehicles
2001 Dodge Dakota
Sport 5.9L V8 - Gas
Catalog
Add Vehicle
Search All Vehicles
Delete All Vehicles from My Garage
Search Bar 4
Search by Part Number(s), Keywords, or VIN
Cart
Cart is Empty
Select Your Vehicle ▼
Chrysler
Dodge
Fiat
Jeep
Ram
Parts ▼
A/C and Heating Parts
Air Filters
Alternators
Belts and Hoses
Brakes
Cabin Air Filters
Fuel Filters
Ignition Parts
Lights
Oil Filters
Radiators
Remote Start Parts
Shocks and Struts
Spark Plugs
Steering Parts
Thermostats
Wiper Blades
Accessories ▼
Accessories
Affiliated Accessories
Car Covers
Cargo Trays
Door Sills
Entertainment Systems
Floor Mats
Front Masks
Pedal Kits
Roadside Assistance Kits
Roof Racks
Shift Knobs
Splash Guards
Spoilers
Step Rails
Sun Shades
Trailer/Towing Accessories
Wheel Locks
Wind Deflectors
Mopar Customizer
About ▼
About Us
Contact Us
Order Status
Login
Shipping Policy
Return Policy
Home
2001 Dodge Dakota
Sport 5.9L V8 - Gas
Quarter Panel and Pillar
Quarter Panel and Pillar for 2001 Dodge Dakota
Vehicle
2001 Dodge Dakota
Change Vehicle
Categories
All
Parts
Air Conditioning & Heater
Air Conditioner and Heater Controls
Air Conditioner and Heater Plumbing
Air Conditioner and Heater Units
Air Conditioning Compressor
Air Conditioning Compressor Mounting
Air Ducts and Outlets
Automatic Transmission 4 Speed
Bands, Reverse and Kickdown
Case and Extension
Gear Train
Gearshift Controls
Oil Pump
Overdrive Gear Train
Transmission Assembly
Valve Body
Automatic Transmission Multi-Speed
Case and Extension
Gear Train
Gearshift Controls
Oil Pump
Seal and Shim Packages
Transmission Assembly
Valve Body
Body Sheet Metal Except Doors
Aperture Panel
Cowl and Dash Panel
Floor Pans
Front Fenders
Glass and Rear View Mirror
Hood & Hood Release
Plugs
Quarter Panel and Pillar
Roof Panels
Tailgate
Clutch
Clutch
Clutch Controls
Clutch Housing
Clutch Pedal
Cooling
Drive Belts
Grilles
Lines, Transmission Oil Cooler
Pulleys and Related Parts
Radiator and Related Parts
Tank, Coolant Engine
Water Pump and Related Parts
Doors and Related Parts
Exterior Mirror
Front Door
Rear Door
Weatherstrips and Seals
Electrical
Alternators
Battery Tray and Cables
Distributor
Horns
Lamps - Front, Rear and Courtesy
Modules
Relays
Sensors
Single Board Engine Controllers
Spark Plugs-Cables-Coils
Starters
Switches
Wiring Repair
Wiring-Body & Accessories
Wiring-Engine & Related Parts
Wiring-Headlamp to Dash
Wiring-Instrument Panel
Emission Systems
Emission Harness
Emission Labels
Vacuum Canister
Engine 2.5L Four Cylinder
Camshafts & Valves
Crankcase Ventilation
Cylinder Block
Engine Oiling
Engine 3.9L Six Cylinder
Camshafts & Valves
Crankcase Ventilation
Crankshaft, Piston and Torque Converter
Cylinder Block
Cylinder Head
Engine Oiling
Manifolds
Timing Belt and Cover
Engine 4.7L Eight Cylinder
Crankshaft, Pistons and Torque Converter
Cylinder Block
Engine Oiling
Engine 5.9L Eight Cylinder
Camshafts & Valves
Crankcase Ventilation
Crankshaft, Pistion and Torque Converter
Cylinder Block
Cylinder Head
Engine Oiling
Manifolds
Timing Belt and Cover
Engine Mounting
Exhaust
Exhaust System
Heat Shields
Exterior Ornamentation
Decals and Tapestripes
Moldings and Ornamentation
Nameplates
Frames and Bumpers
Body Hold Down
Frames
Front Bumper and Fascia
Rear Bumper and Fascia
Front Suspension & Drive
Front Axle Assembly
Front Axle Differential
Front Axle Drive Shafts
Front Axle Housing
Front Axle Skid Plate
Front Suspension
Fuel
Accelerator Pedal
Air Cleaner
Fuel Lines
Fuel Pump and Sending Unit
Fuel Rail
Fuel Tank Filler Tube
Speed Control
Tank, Fuel
Throttle Body
Throttle Controls
Instrument Panel and Radios and Consoles
Consoles
Instrument Panel
Instrument Panel Cluster
Radio, Antenna, and Speakers
Interior Trim
Adjusters, Covers, Shields, and Risers
Carpet
Door Trim Panels-Front and Rear
Front Seats and Attaching Parts
Headliner and Visor
Moldings, Scuff Plates
Rear Seats- Folding and Quad
Seat Belts-Front and Rear
Manual Transmission 5 Speed
Gearshift Controls
Mopar Accessories - Component Parts
4 - Wheeling & Off Road
Audio & Electronics
Carriers & Cargo Hauling
Driving Convenience
Exterior Appearance
Exterior Protection
Fog Lights & Electrical
Security
Parking Brake
Parking Brake Lever and Cables
Propeller Shafts and U-Joints
Propeller Shaft
Rear Axle
Differential and Housing
Rear Axle
Rear Axle Vent
Rear Suspension
Rear Stabilizer
Rear Suspension
Service Brakes
Brake Lines and Hoses
Brake Master Cylinder
Brake Pedals
Front Brakes
Power Brake Booster
Rear Brakes
Steering
Power Steering Hoses
Power Steering Pump
Steering Column
Steering Gear
Steering Wheel
Transfer Case Model 233 [DHT]
Case and Extension
Fork and Rails
Gear Train
Gearshift Controls and Skid Plates
Transfer Case Assembly
Transfer Case Model 244 [DHV]
Case and Extension
Fork and Rails
Gear Train
Gearshift Controls and Skid Plates
Transfer Case Assembly
Wheels, Covers and Jacks
Jack Stowage
Spare Tire Stowage
Wheel Covers and Center Caps
Wheels and Hardware
Wiper/Lock Cylinder and Keys
Lock Cylinders and Keys
Windshield Wiper and Washer Systems
Air Conditioning & Heater
Air Conditioner and Heater Controls
Air Conditioner and Heater Plumbing
Air Conditioner and Heater Units
Air Conditioning Compressor
Air Conditioning Compressor Mounting
Air Ducts and Outlets
Automatic Transmission 4 Speed
Bands, Reverse and Kickdown
Case and Extension
Gear Train
Gearshift Controls
Oil Pump
Overdrive Gear Train
Transmission Assembly
Valve Body
Automatic Transmission Multi-Speed
Case and Extension
Gear Train
Gearshift Controls
Oil Pump
Seal and Shim Packages
Transmission Assembly
Valve Body
Body Sheet Metal Except Doors
Aperture Panel
Cowl and Dash Panel
Floor Pans
Front Fenders
Glass and Rear View Mirror
Hood & Hood Release
Plugs
Quarter Panel and Pillar
Roof Panels
Tailgate
Clutch
Clutch
Clutch Controls
Clutch Housing
Clutch Pedal
Cooling
Drive Belts
Grilles
Lines, Transmission Oil Cooler
Pulleys and Related Parts
Radiator and Related Parts
Tank, Coolant Engine
Water Pump and Related Parts
Doors and Related Parts
Exterior Mirror
Front Door
Rear Door
Weatherstrips and Seals
Electrical
Alternators
Battery Tray and Cables
Distributor
Horns
Lamps - Front, Rear and Courtesy
Modules
Relays
Sensors
Single Board Engine Controllers
Spark Plugs-Cables-Coils
Starters
Switches
Wiring Repair
Wiring-Body & Accessories
Wiring-Engine & Related Parts
Wiring-Headlamp to Dash
Wiring-Instrument Panel
Emission Systems
Emission Harness
Emission Labels
Vacuum Canister
Engine 2.5L Four Cylinder
Camshafts & Valves
Crankcase Ventilation
Cylinder Block
Engine Oiling
Engine 3.9L Six Cylinder
Camshafts & Valves
Crankcase Ventilation
Crankshaft, Piston and Torque Converter
Cylinder Block
Cylinder Head
Engine Oiling
Manifolds
Timing Belt and Cover
Engine 4.7L Eight Cylinder
Crankshaft, Pistons and Torque Converter
Cylinder Block
Engine Oiling
Engine 5.9L Eight Cylinder
Camshafts & Valves
Crankcase Ventilation
Crankshaft, Pistion and Torque Converter
Cylinder Block
Cylinder Head
Engine Oiling
Manifolds
Timing Belt and Cover
Engine Mounting
Exhaust
Exhaust System
Heat Shields
Exterior Ornamentation
Decals and Tapestripes
Moldings and Ornamentation
Nameplates
Frames and Bumpers
Body Hold Down
Frames
Front Bumper and Fascia
Rear Bumper and Fascia
Front Suspension & Drive
Front Axle Assembly
Front Axle Differential
Front Axle Drive Shafts
Front Axle Housing
Front Axle Skid Plate
Front Suspension
Fuel
Accelerator Pedal
Air Cleaner
Fuel Lines
Fuel Pump and Sending Unit
Fuel Rail
Fuel Tank Filler Tube
Speed Control
Tank, Fuel
Throttle Body
Throttle Controls
Instrument Panel and Radios and Consoles
Consoles
Instrument Panel
Instrument Panel Cluster
Radio, Antenna, and Speakers
Interior Trim
Adjusters, Covers, Shields, and Risers
Carpet
Door Trim Panels-Front and Rear
Front Seats and Attaching Parts
Headliner and Visor
Moldings, Scuff Plates
Rear Seats- Folding and Quad
Seat Belts-Front and Rear
Manual Transmission 5 Speed
Gearshift Controls
Mopar Accessories - Component Parts
4 - Wheeling & Off Road
Audio & Electronics
Carriers & Cargo Hauling
Driving Convenience
Exterior Appearance
Exterior Protection
Fog Lights & Electrical
Security
Parking Brake
Parking Brake Lever and Cables
Propeller Shafts and U-Joints
Propeller Shaft
Rear Axle
Differential and Housing
Rear Axle
Rear Axle Vent
Rear Suspension
Rear Stabilizer
Rear Suspension
Service Brakes
Brake Lines and Hoses
Brake Master Cylinder
Brake Pedals
Front Brakes
Power Brake Booster
Rear Brakes
Steering
Power Steering Hoses
Power Steering Pump
Steering Column
Steering Gear
Steering Wheel
Transfer Case Model 233 [DHT]
Case and Extension
Fork and Rails
Gear Train
Gearshift Controls and Skid Plates
Transfer Case Assembly
Transfer Case Model 244 [DHV]
Case and Extension
Fork and Rails
Gear Train
Gearshift Controls and Skid Plates
Transfer Case Assembly
Wheels, Covers and Jacks
Jack Stowage
Spare Tire Stowage
Wheel Covers and Center Caps
Wheels and Hardware
Wiper/Lock Cylinder and Keys
Lock Cylinders and Keys
Windshield Wiper and Washer Systems
Browse Categories
×
Select category
All
Parts
Air Conditioning & Heater
Air Conditioner and Heater Controls
Air Conditioner and Heater Plumbing
Air Conditioner and Heater Units
Air Conditioning Compressor
Air Conditioning Compressor Mounting
Air Ducts and Outlets
Automatic Transmission 4 Speed
Bands, Reverse and Kickdown
Case and Extension
Gear Train
Gearshift Controls
Oil Pump
Overdrive Gear Train
Transmission Assembly
Valve Body
Automatic Transmission Multi-Speed
Case and Extension
Gear Train
Gearshift Controls
Oil Pump
Seal and Shim Packages
Transmission Assembly
Valve Body
Body Sheet Metal Except Doors
Aperture Panel
Cowl and Dash Panel
Floor Pans
Front Fenders
Glass and Rear View Mirror
Hood & Hood Release
Plugs
Quarter Panel and Pillar
Roof Panels
Tailgate
Clutch
Clutch
Clutch Controls
Clutch Housing
Clutch Pedal
Cooling
Drive Belts
Grilles
Lines, Transmission Oil Cooler
Pulleys and Related Parts
Radiator and Related Parts
Tank, Coolant Engine
Water Pump and Related Parts
Doors and Related Parts
Exterior Mirror
Front Door
Rear Door
Weatherstrips and Seals
Electrical
Alternators
Battery Tray and Cables
Distributor
Horns
Lamps - Front, Rear and Courtesy
Modules
Relays
Sensors
Single Board Engine Controllers
Spark Plugs-Cables-Coils
Starters
Switches
Wiring Repair
Wiring-Body & Accessories
Wiring-Engine & Related Parts
Wiring-Headlamp to Dash
Wiring-Instrument Panel
Emission Systems
Emission Harness
Emission Labels
Vacuum Canister
Engine 2.5L Four Cylinder
Camshafts & Valves
Crankcase Ventilation
Cylinder Block
Engine Oiling
Engine 3.9L Six Cylinder
Camshafts & Valves
Crankcase Ventilation
Crankshaft, Piston and Torque Converter
Cylinder Block
Cylinder Head
Engine Oiling
Manifolds
Timing Belt and Cover
Engine 4.7L Eight Cylinder
Crankshaft, Pistons and Torque Converter
Cylinder Block
Engine Oiling
Engine 5.9L Eight Cylinder
Camshafts & Valves
Crankcase Ventilation
Crankshaft, Pistion and Torque Converter
Cylinder Block
Cylinder Head
Engine Oiling
Manifolds
Timing Belt and Cover
Engine Mounting
Exhaust
Exhaust System
Heat Shields
Exterior Ornamentation
Decals and Tapestripes
Moldings and Ornamentation
Nameplates
Frames and Bumpers
Body Hold Down
Frames
Front Bumper and Fascia
Rear Bumper and Fascia
Front Suspension & Drive
Front Axle Assembly
Front Axle Differential
Front Axle Drive Shafts
Front Axle Housing
Front Axle Skid Plate
Front Suspension
Fuel
Accelerator Pedal
Air Cleaner
Fuel Lines
Fuel Pump and Sending Unit
Fuel Rail
Fuel Tank Filler Tube
Speed Control
Tank, Fuel
Throttle Body
Throttle Controls
Instrument Panel and Radios and Consoles
Consoles
Instrument Panel
Instrument Panel Cluster
Radio, Antenna, and Speakers
Interior Trim
Adjusters, Covers, Shields, and Risers
Carpet
Door Trim Panels-Front and Rear
Front Seats and Attaching Parts
Headliner and Visor
Moldings, Scuff Plates
Rear Seats- Folding and Quad
Seat Belts-Front and Rear
Manual Transmission 5 Speed
Gearshift Controls
Mopar Accessories - Component Parts
4 - Wheeling & Off Road
Audio & Electronics
Carriers & Cargo Hauling
Driving Convenience
Exterior Appearance
Exterior Protection
Fog Lights & Electrical
Security
Parking Brake
Parking Brake Lever and Cables
Propeller Shafts and U-Joints
Propeller Shaft
Rear Axle
Differential and Housing
Rear Axle
Rear Axle Vent
Rear Suspension
Rear Stabilizer
Rear Suspension
Service Brakes
Brake Lines and Hoses
Brake Master Cylinder
Brake Pedals
Front Brakes
Power Brake Booster
Rear Brakes
Steering
Power Steering Hoses
Power Steering Pump
Steering Column
Steering Gear
Steering Wheel
Transfer Case Model 233 [DHT]
Case and Extension
Fork and Rails
Gear Train
Gearshift Controls and Skid Plates
Transfer Case Assembly
Transfer Case Model 244 [DHV]
Case and Extension
Fork and Rails
Gear Train
Gearshift Controls and Skid Plates
Transfer Case Assembly
Wheels, Covers and Jacks
Jack Stowage
Spare Tire Stowage
Wheel Covers and Center Caps
Wheels and Hardware
Wiper/Lock Cylinder and Keys
Lock Cylinders and Keys
Windshield Wiper and Washer Systems
Air Conditioning & Heater
Air Conditioner and Heater Controls
Air Conditioner and Heater Plumbing
Air Conditioner and Heater Units
Air Conditioning Compressor
Air Conditioning Compressor Mounting
Air Ducts and Outlets
Automatic Transmission 4 Speed
Bands, Reverse and Kickdown
Case and Extension
Gear Train
Gearshift Controls
Oil Pump
Overdrive Gear Train
Transmission Assembly
Valve Body
Automatic Transmission Multi-Speed
Case and Extension
Gear Train
Gearshift Controls
Oil Pump
Seal and Shim Packages
Transmission Assembly
Valve Body
Body Sheet Metal Except Doors
Aperture Panel
Cowl and Dash Panel
Floor Pans
Front Fenders
Glass and Rear View Mirror
Hood & Hood Release
Plugs
Quarter Panel and Pillar
Roof Panels
Tailgate
Clutch
Clutch
Clutch Controls
Clutch Housing
Clutch Pedal
Cooling
Drive Belts
Grilles
Lines, Transmission Oil Cooler
Pulleys and Related Parts
Radiator and Related Parts
Tank, Coolant Engine
Water Pump and Related Parts
Doors and Related Parts
Exterior Mirror
Front Door
Rear Door
Weatherstrips and Seals
Electrical
Alternators
Battery Tray and Cables
Distributor
Horns
Lamps - Front, Rear and Courtesy
Modules
Relays
Sensors
Single Board Engine Controllers
Spark Plugs-Cables-Coils
Starters
Switches
Wiring Repair
Wiring-Body & Accessories
Wiring-Engine & Related Parts
Wiring-Headlamp to Dash
Wiring-Instrument Panel
Emission Systems
Emission Harness
Emission Labels
Vacuum Canister
Engine 2.5L Four Cylinder
Camshafts & Valves
Crankcase Ventilation
Cylinder Block
Engine Oiling
Engine 3.9L Six Cylinder
Camshafts & Valves
Crankcase Ventilation
Crankshaft, Piston and Torque Converter
Cylinder Block
Cylinder Head
Engine Oiling
Manifolds
Timing Belt and Cover
Engine 4.7L Eight Cylinder
Crankshaft, Pistons and Torque Converter
Cylinder Block
Engine Oiling
Engine 5.9L Eight Cylinder
Camshafts & Valves
Crankcase Ventilation
Crankshaft, Pistion and Torque Converter
Cylinder Block
Cylinder Head
Engine Oiling
Manifolds
Timing Belt and Cover
Engine Mounting
Exhaust
Exhaust System
Heat Shields
Exterior Ornamentation
Decals and Tapestripes
Moldings and Ornamentation
Nameplates
Frames and Bumpers
Body Hold Down
Frames
Front Bumper and Fascia
Rear Bumper and Fascia
Front Suspension & Drive
Front Axle Assembly
Front Axle Differential
Front Axle Drive Shafts
Front Axle Housing
Front Axle Skid Plate
Front Suspension
Fuel
Accelerator Pedal
Air Cleaner
Fuel Lines
Fuel Pump and Sending Unit
Fuel Rail
Fuel Tank Filler Tube
Speed Control
Tank, Fuel
Throttle Body
Throttle Controls
Instrument Panel and Radios and Consoles
Consoles
Instrument Panel
Instrument Panel Cluster
Radio, Antenna, and Speakers
Interior Trim
Adjusters, Covers, Shields, and Risers
Carpet
Door Trim Panels-Front and Rear
Front Seats and Attaching Parts
Headliner and Visor
Moldings, Scuff Plates
Rear Seats- Folding and Quad
Seat Belts-Front and Rear
Manual Transmission 5 Speed
Gearshift Controls
Mopar Accessories - Component Parts
4 - Wheeling & Off Road
Audio & Electronics
Carriers & Cargo Hauling
Driving Convenience
Exterior Appearance
Exterior Protection
Fog Lights & Electrical
Security
Parking Brake
Parking Brake Lever and Cables
Propeller Shafts and U-Joints
Propeller Shaft
Rear Axle
Differential and Housing
Rear Axle
Rear Axle Vent
Rear Suspension
Rear Stabilizer
Rear Suspension
Service Brakes
Brake Lines and Hoses
Brake Master Cylinder
Brake Pedals
Front Brakes
Power Brake Booster
Rear Brakes
Steering
Power Steering Hoses
Power Steering Pump
Steering Column
Steering Gear
Steering Wheel
Transfer Case Model 233 [DHT]
Case and Extension
Fork and Rails
Gear Train
Gearshift Controls and Skid Plates
Transfer Case Assembly
Transfer Case Model 244 [DHV]
Case and Extension
Fork and Rails
Gear Train
Gearshift Controls and Skid Plates
Transfer Case Assembly
Wheels, Covers and Jacks
Jack Stowage
Spare Tire Stowage
Wheel Covers and Center Caps
Wheels and Hardware
Wiper/Lock Cylinder and Keys
Lock Cylinders and Keys
Windshield Wiper and Washer Systems
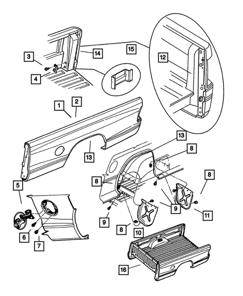
1
Box Side Outer Panel, Left
Mopar
(Unavailable)
Box Side Outer Panel, Right
Mopar
(Unavailable)
Box Side Outer Panel, Right
Mopar
(Unavailable)
Box Side Outer Panel, Left
Mopar
(Unavailable)
Box Side Outer Panel, Right
Mopar
(Unavailable)
See more products
10
Splash Shield, Front, Right
Mopar
Rear Wheel Opening
(Unavailable)
Splash Shield, Front, Left
Mopar
Rear Wheel Opening
(Unavailable)
11
Splash Shield, Rear, Right
Mopar
Rear Wheel Opening
(Unavailable)
Splash Shield, Rear, Left
Mopar
Rear Wheel Opening
(Unavailable)
12
Box Side Reinforcement, Left
Mopar
(Unavailable)
Box Side Reinforcement, Left
Mopar
(Unavailable)
13
Rear Inner Wheelhouse
Mopar
(Unavailable)
Rear Inner Wheelhouse
Mopar
(Unavailable)
13
Rear Inner Wheelhouse
Mopar
(Unavailable)
Rear Inner Wheelhouse
Mopar
(Unavailable)
14
Box Side Reinforcement, Right
Mopar
After 11/6//00.
(Unavailable)
$75.40
Box Side Reinforcement, Left
Mopar
After 11/6//00.
Box Side Reinforcement, Left
Mopar
BOX SIDE
(Unavailable)
Box Side Reinforcement, Right
Mopar
BOX SIDE
(Unavailable)
15
Box Crossmember Reinforcement
Mopar
Also Serviced in REINFORCEMENT, Box Side
(Unavailable)
16
Pickup Box
Mopar
(Unavailable)
Pickup Box
Mopar
(Unavailable)
Pickup Box
Mopar
(Unavailable)
Pickup Box
Mopar
(Unavailable)
2
Box Side Panel, Left
Mopar
Complete. After 11/6//00
(Unavailable)
Box Side Panel, Right
Mopar
Complete
(Unavailable)
Box Side Panel, Right
Mopar
Complete
(Unavailable)
Box Side Panel, Left
Mopar
Complete
(Unavailable)
Box Side Panel, Left
Mopar
Complete. Up to 11/6/00
(Unavailable)
See more products
3
Hex Head Screw And Washer
Mopar
M8x1.25x20
(Unavailable)
4
Door Latch Striker
Mopar
Up to 7/10/00
(Unavailable)
Door Latch Striker
Mopar
After 7/10/00
(Unavailable)
5
Fuel Fill Door
Mopar
FUEL FILL
(Unavailable)
6
$8.41
Tapping Screw
Mopar
M6x1x20. Front Box Panel To Outer Side Panel
7
Fuel Door Bumper
Mopar
(Unavailable)
8
U Multi-thread Nut
Mopar
.19-24
(Unavailable)
8
U Multi-thread Nut
Mopar
.19-24
(Unavailable)
8
U Multi-thread Nut
Mopar
.19-24
(Unavailable)
8
U Multi-thread Nut
Mopar
.19-24
(Unavailable)
No.
Part # / Description
/ Price
Price
N/A
Body Plug
55362785AA
Mopar
Description:
Bedliner, Plastic 4 Inch
View Details
View Details
N/A
Tail Lamp Bracket, Left
55255071
Mopar
View Details
View Details
N/A
Tail Lamp Bracket, Left
55255071AB
Mopar
View Details
View Details
N/A
Tail Lamp Bracket, Right
55255070
Mopar
View Details
View Details
N/A
Tail Lamp Bracket, Right
55255070AB
Mopar
View Details
View Details
1
Box Side Outer Panel, Left
55257229AD
Mopar
View Details
View Details
1
Box Side Outer Panel, Right
55257228AD
Mopar
View Details
View Details
1
Box Side Outer Panel, Right
55254860
Mopar
View Details
View Details
1
Box Side Outer Panel, Left
55257229AC
Mopar
View Details
View Details
1
Box Side Outer Panel, Right
55257228AC
Mopar
View Details
View Details
1
Box Side Outer Panel, Left
55254861
Mopar
View Details
View Details
2
Box Side Panel, Left
55257233AI
Mopar
Description:
Complete. After 11/6//00
View Details
View Details
2
Box Side Panel, Right
4883722AA
Mopar
Description:
Complete
View Details
View Details
2
Box Side Panel, Right
4883722AD
Mopar
Description:
Complete
View Details
View Details
2
Box Side Panel, Left
4883723AA
Mopar
Description:
Complete
View Details
View Details
2
Box Side Panel, Left
55257233AC
Mopar
Description:
Complete. Up to 11/6/00
View Details
View Details
2
Push Pin
6502871
Mopar
Description:
M6.3X22.80. RR WHEEL LINER TO SPLASH SHIELD
MSRP
$9.30
$6.72
-
+
Add to Cart
MSRP
$9.30
$6.72
-
+
Add to Cart
2
Box Side Panel, Right
55257232AC
Mopar
Description:
Complete. Up to 11/6/00
View Details
View Details
2
Box Side Panel, Left
55257233AD
Mopar
Description:
Complete. After 11/6//00
View Details
View Details
2
Box Side Panel, Right
55257232AI
Mopar
Description:
Complete. After 11/6//00
View Details
View Details
2
Box Side Panel, Right
55257232AD
Mopar
Description:
Complete. After 11/6//00
View Details
View Details
2
Box Side Panel, Left
4883723AB
Mopar
Description:
Complete
View Details
View Details
3
Hex Head Screw And Washer
6102002
Mopar
Description:
M8x1.25x20
View Details
View Details
4
Door Latch Striker
55033171
Mopar
Description:
Up to 7/10/00
View Details
View Details
4
Door Latch Striker
55362119AC
Mopar
Description:
After 7/10/00
View Details
View Details
5
Fuel Fill Door
55254864AD
Mopar
Description:
FUEL FILL
View Details
View Details
6
Tapping Screw
6503259
Mopar
Description:
M6x1x20. Front Box Panel To Outer Side Panel
MSRP
$11.65
$8.41
-
+
Add to Cart
MSRP
$11.65
$8.41
-
+
Add to Cart
7
Fuel Door Bumper
55076327
Mopar
View Details
View Details
8
U Multi-thread Nut
6036009AA
Mopar
Description:
.19-24
View Details
View Details
10
Splash Shield, Front, Right
55362382AB
Mopar
Description:
Rear Wheel Opening
View Details
View Details
10
Splash Shield, Front, Left
55362383AB
Mopar
Description:
Rear Wheel Opening
View Details
View Details
11
Splash Shield, Rear, Right
55362536AB
Mopar
Description:
Rear Wheel Opening
View Details
View Details
11
Splash Shield, Rear, Left
55362537AB
Mopar
Description:
Rear Wheel Opening
View Details
View Details
12
Box Side Reinforcement, Right
55257028AB
Mopar
View Details
View Details
12
Box Side Reinforcement, Left
55257029AB
Mopar
View Details
View Details
13
Rear Inner Wheelhouse
55256034
Mopar
View Details
View Details
13
Rear Inner Wheelhouse
55256034AD
Mopar
View Details
View Details
14
Box Side Reinforcement, Right
55257056AF
Mopar
Description:
After 11/6//00.
View Details
View Details
14
Box Side Reinforcement, Left
55257057AF
Mopar
Description:
After 11/6//00.
View Details
View Details
14
Box Side Reinforcement, Left
55257057AD
Mopar
Description:
BOX SIDE
View Details
View Details
14
Box Side Reinforcement, Right
55257056AD
Mopar
Description:
BOX SIDE
View Details
View Details
15
Box Crossmember Reinforcement
4335034
Mopar
Description:
Also Serviced in REINFORCEMENT, Box Side
View Details
View Details
16
Pickup Box
4897270AB
Mopar
View Details
View Details
16
Pickup Box
5080828AB
Mopar
View Details
View Details
16
Pickup Box
5080828AA
Mopar
View Details
View Details
16
Pickup Box
4897270AC
Mopar
View Details
View Details