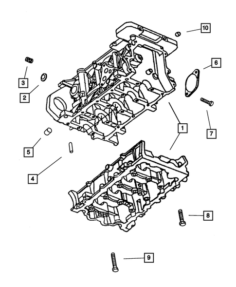
Cylinder Block for 2001 Dodge Neon

Vehicle

2001 Dodge Neon

Change Vehicle

Categories

Browse Categories
No.
Part # / Description / Price
Price
7
Hex Head Bolt And Coned Washer, Mounting
Mopar Mopar
Notes: Engines: 1.6L I4 SOHC 16V SMPI. Transmissions: 3-SPEED AUTOMATIC TRANSMISSION. 4-SPEED AUTOMATIC TRANSMISSION. 5-SPEED MANUAL T350 TRANSMISSION.
Description: M6X1.001X18.00. Rear Balance Shaft Carrier Cover