Trailer Tow and Tow Hooks for 2026 Ram 1500
Vehicle
2026 Ram 1500
Change Vehicle
Categories
- Battery, Battery Tray and Cables
- Generators/Alternators
- Horns
- Ignition, Spark Plugs, Cables, Coils, and Glow Plugs
- Instrument Panel Cluster
- Keys, Modules and Engine Controllers
- Lamps, Interior and Exterior
- Park Assist
- Power Distribution, Fuse Block, Junction Block, Relays and Fuses
- Radio, Antenna, Speakers, DVD, and Video systems
- Sensors
- Speed Control
- Starters
- Switches
- Wiper and Washer System
- Wiring, Body and Accessories
- Wiring, Headlamp to Dash
- Wiring, Instrument Panel
- Wiring, Powertrain
- Camshaft and Valve
- Crankcase Ventilation
- Crankshaft, Piston, Drive Plate, Flywheel, and Damper
- Cylinder Block
- Cylinder Head
- Engine Identification, Service Engines & Engine Service Kits
- Engine Mounting
- Engine Oil Cooler
- Engine Oiling, Oil Pan and Indicator (Dipstick)
- Manifolds and Vacuum Fittings
- Timing Belt/Chain and Cover and Balance Shaft
- Turbo and Super Chargers
- Carpets, Floor Mats, Load Floor, and Silencers
- Consoles
- Door Trim Panels - Front and Rear
- Front Seats - Adjusters, Recliners, Shields and Risers
- Front Seats - First Row
- Headliners - Visors - Assist Straps
- Instrument Panel
- Panels - Moldings - Scuff Plates, Pillar, Cowl, 1/4 Panel Trim and Cargo Covers
- Rear Seats - Second Row
- Rear Seats - Second Row Adjusters, Recliners, Shields and Risers
- Battery, Battery Tray and Cables
- Generators/Alternators
- Horns
- Ignition, Spark Plugs, Cables, Coils, and Glow Plugs
- Instrument Panel Cluster
- Keys, Modules and Engine Controllers
- Lamps, Interior and Exterior
- Park Assist
- Power Distribution, Fuse Block, Junction Block, Relays and Fuses
- Radio, Antenna, Speakers, DVD, and Video systems
- Sensors
- Speed Control
- Starters
- Switches
- Wiper and Washer System
- Wiring, Body and Accessories
- Wiring, Headlamp to Dash
- Wiring, Instrument Panel
- Wiring, Powertrain
- Camshaft and Valve
- Crankcase Ventilation
- Crankshaft, Piston, Drive Plate, Flywheel, and Damper
- Cylinder Block
- Cylinder Head
- Engine Identification, Service Engines & Engine Service Kits
- Engine Mounting
- Engine Oil Cooler
- Engine Oiling, Oil Pan and Indicator (Dipstick)
- Manifolds and Vacuum Fittings
- Timing Belt/Chain and Cover and Balance Shaft
- Turbo and Super Chargers
- Carpets, Floor Mats, Load Floor, and Silencers
- Consoles
- Door Trim Panels - Front and Rear
- Front Seats - Adjusters, Recliners, Shields and Risers
- Front Seats - First Row
- Headliners - Visors - Assist Straps
- Instrument Panel
- Panels - Moldings - Scuff Plates, Pillar, Cowl, 1/4 Panel Trim and Cargo Covers
- Rear Seats - Second Row
- Rear Seats - Second Row Adjusters, Recliners, Shields and Risers
Browse Categories
Select category
- Battery, Battery Tray and Cables
- Generators/Alternators
- Horns
- Ignition, Spark Plugs, Cables, Coils, and Glow Plugs
- Instrument Panel Cluster
- Keys, Modules and Engine Controllers
- Lamps, Interior and Exterior
- Park Assist
- Power Distribution, Fuse Block, Junction Block, Relays and Fuses
- Radio, Antenna, Speakers, DVD, and Video systems
- Sensors
- Speed Control
- Starters
- Switches
- Wiper and Washer System
- Wiring, Body and Accessories
- Wiring, Headlamp to Dash
- Wiring, Instrument Panel
- Wiring, Powertrain
- Camshaft and Valve
- Crankcase Ventilation
- Crankshaft, Piston, Drive Plate, Flywheel, and Damper
- Cylinder Block
- Cylinder Head
- Engine Identification, Service Engines & Engine Service Kits
- Engine Mounting
- Engine Oil Cooler
- Engine Oiling, Oil Pan and Indicator (Dipstick)
- Manifolds and Vacuum Fittings
- Timing Belt/Chain and Cover and Balance Shaft
- Turbo and Super Chargers
- Carpets, Floor Mats, Load Floor, and Silencers
- Consoles
- Door Trim Panels - Front and Rear
- Front Seats - Adjusters, Recliners, Shields and Risers
- Front Seats - First Row
- Headliners - Visors - Assist Straps
- Instrument Panel
- Panels - Moldings - Scuff Plates, Pillar, Cowl, 1/4 Panel Trim and Cargo Covers
- Rear Seats - Second Row
- Rear Seats - Second Row Adjusters, Recliners, Shields and Risers
- Battery, Battery Tray and Cables
- Generators/Alternators
- Horns
- Ignition, Spark Plugs, Cables, Coils, and Glow Plugs
- Instrument Panel Cluster
- Keys, Modules and Engine Controllers
- Lamps, Interior and Exterior
- Park Assist
- Power Distribution, Fuse Block, Junction Block, Relays and Fuses
- Radio, Antenna, Speakers, DVD, and Video systems
- Sensors
- Speed Control
- Starters
- Switches
- Wiper and Washer System
- Wiring, Body and Accessories
- Wiring, Headlamp to Dash
- Wiring, Instrument Panel
- Wiring, Powertrain
- Camshaft and Valve
- Crankcase Ventilation
- Crankshaft, Piston, Drive Plate, Flywheel, and Damper
- Cylinder Block
- Cylinder Head
- Engine Identification, Service Engines & Engine Service Kits
- Engine Mounting
- Engine Oil Cooler
- Engine Oiling, Oil Pan and Indicator (Dipstick)
- Manifolds and Vacuum Fittings
- Timing Belt/Chain and Cover and Balance Shaft
- Turbo and Super Chargers
- Carpets, Floor Mats, Load Floor, and Silencers
- Consoles
- Door Trim Panels - Front and Rear
- Front Seats - Adjusters, Recliners, Shields and Risers
- Front Seats - First Row
- Headliners - Visors - Assist Straps
- Instrument Panel
- Panels - Moldings - Scuff Plates, Pillar, Cowl, 1/4 Panel Trim and Cargo Covers
- Rear Seats - Second Row
- Rear Seats - Second Row Adjusters, Recliners, Shields and Risers
No.
Part # / Description / Price
Price
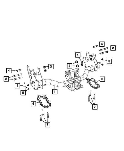
1
1
2
MSRP $20.90
$15.00
3
MSRP $21.75
$15.79
4
MSRP $13.90
$9.13
5
Hex Flange Lock Nut, Mounting
Mopar
Mopar Description: M10x1.50. Mounting Front Exhaust Pipe To Exhaust Manifold
MSRP $2.70
$1.94
MSRP $2.70
$1.94
7
Hex Head Bolt And Coned Washer, Right Or Left
Mopar
Mopar Description: M14x2.00x85.00. Tow Hook To Hitch
MSRP $27.40
$19.78
MSRP $27.40
$19.78
No.
Part # / Description / Price
Price
2
Hex Head Bolt
Mopar
Mopar Description: M10x1.50x35.00. Rear Bumper To Hitch. Rear Bumper To Hitch
MSRP $13.90
$10.04
MSRP $13.90
$10.04
3
MSRP $20.90
$15.00
4
MSRP $21.75
$15.79
5
MSRP $13.90
$9.13
6
Hex Flange Lock Nut, Mounting
Mopar
Mopar Description: M10x1.50. Mounting Front Exhaust Pipe To Exhaust Manifold
MSRP $2.70
$1.94
MSRP $2.70
$1.94
No.
Part # / Description / Price
Price
1
MSRP $177.00
$116.60
2
MSRP $13.90
$9.13

