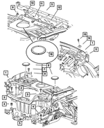
Floor Pan for 2003 Dodge Viper
No.
Part # / Description / Price
Price
4
Nut
Mopar
Mopar Description: U nut 1` thread size. Heat Shield to rear Belly Pan. To Fascia. Belly Pan to Rear Extension. U-nut Bulkhead panel attaching.
MSRP $3.55
$2.54
MSRP $3.55
$2.54
9
MSRP $1,520.00
$1,215.35
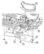
No.
Part # / Description / Price
Price
3
Nut
Mopar
Mopar Description: U nut 1` thread size. Heat Shield to rear Belly Pan. To Fascia. Belly Pan to Rear Extension. U-nut Bulkhead panel attaching.
MSRP $3.55
$2.54
MSRP $3.55
$2.54
No.
Part # / Description / Price
Price
6
MSRP $47.85
$32.95
11
Hex Head Screw
Mopar
Mopar Description: M6x1x20. [.250-14X.750]. A/C OR HEATER UNIT BRKT TO COWL PLENUM
MSRP $5.50
$3.87
MSRP $5.50
$3.87
No.
Part # / Description / Price
Price
2
MSRP $248.00
$165.39
3
MSRP $248.00
$204.60
4
MSRP $248.00
$204.60
5
Hex Head Bolt And Washer, Mounting
Mopar
Mopar Description: M10X1.50X100. Engine Mount Bracket To Cylinder Block
MSRP $7.50
$5.38
MSRP $7.50
$5.38
6
MSRP $10.15
$7.32
7
Not For Sale



