Glass, Windshield, Backlite, Mirror for 2003 Dodge Viper
No.
Part # / Description / Price
Price
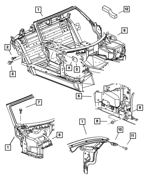
8
Hex Nut And Washer
Mopar
Mopar Description: M8x1.25. Battery Positive To Power Distribution Module
Not For Sale
Not For Sale
11
MSRP $8.60
$6.23
No.
Part # / Description / Price
Price
3
MSRP $66.95
$55.78
4
MSRP $37.20
$26.98

